Highest Accuracy Gas Flow Calibration Primary Standard
CalTrak®800
- Highest accuracy of ± 0.15% of reading gas mass flow rate
- Broad flow range from 0.5 sccm up to 100 slpm
- Quick, easy to use, automatic data capture
- Portable and battery operated
- Results directly traceable to NIST
Overview
Bring the world’s most accurate flow standard to your lab with the CalTrak® 800. The 800 is used for calibration and verification of:
- Mass flow meters
- Controllers
- Variable area flow meters
Also used for the precision in-situ calibration of industrial flow meters and controllers, the 800 is ideal for customers who require the very best flow meter accuracy to do their job right. Avoid the cost and downtime delay of sending out instruments to be calibrated with the CalTrak 800, perfect for owners and users of many flow instruments (more than 25) that require calibration/verification one or more times a year.
Every 800 is manufactured to ISO 17025 standards at a NVLAP-accredited lab using assets that are directly traceable to NIST.
Watch the video for the CalTrak flow calibration product line.
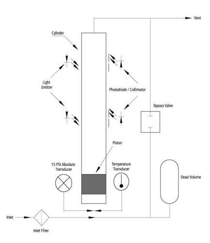
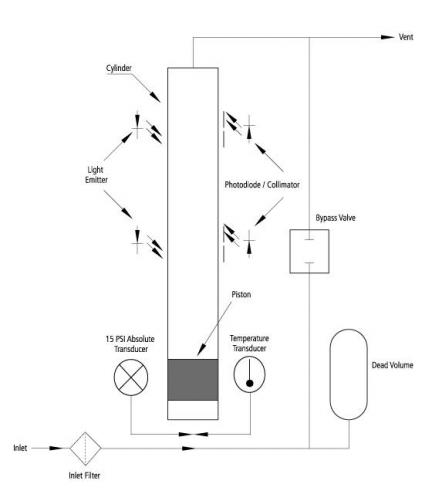
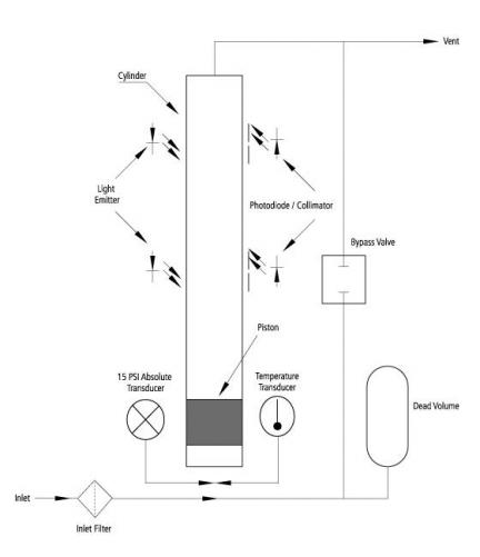
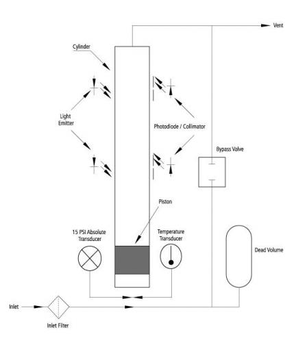
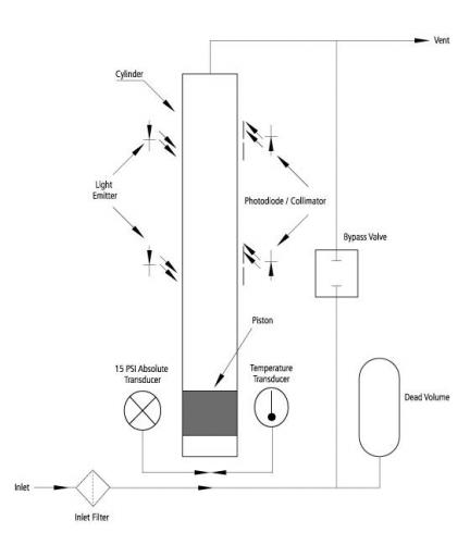
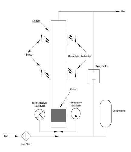
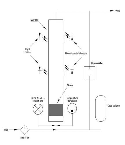
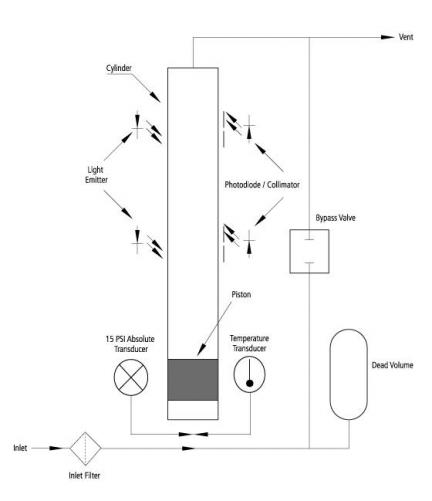
Operating principal
All of our CalTrak models contain a nearly frictionless graphite piston that moves freely inside a borosilicate glass tube. When the parallel bypass valve is closed, the gas flow is directed into the tube to push the piston up. Two photo-optic sensors detect the piston as it travels past.
The distance the piston travels between the two sensors is precisely defined and represents a known volume. Accurate crystal-based timers drive a microprocessor which calculates the rate of rise. This defines the volumetric flow rate. At the same time, extremely accurate temperature and absolute pressure sensors collect data used to calculate the mass flow rate.
Product Benefits
- The performance of only the highest level metrology laboratories can now be yours
- Highest accuracy primary standard for labs & industry (compare at ± 0.15% of reading)
- Innovative – 100:1 turndown ratio; widest flow range of all CalTrak systems
- Proven dimensionally-based primary standard accuracy backed by a rigorous uncertainty analysis
- Manufactured to ISO 17025 standards at a NVLAP-accredited lab
- Collected data is directly traceable to NIST
- Surpasses pressure-based secondary methods
- Everything you need to do your own flow calibration
- Less expensive than most popular secondary standards
- Field portable and battery powered
- Suitable for most non-corrosive gases
- Accurate and reliable gas flow readings independent of gas species measured
- Reading options: Single, continuous or burst, with user-selectable averaging from 1 to 100
- Run automatically in continuous mode or operate manually (one flow reading at a time)
- Take up to up to 100 measurements in an average continuous mode sequence
- Easy to use, large LCD readout screen and 23-button keypad
- Generates calibration certificate easily
- Communicate via RS-232, USB, and use free CalSoft® software included
- CalSoft® software automatically acquires flow data for easy data export
- Kit consists of a base and five interchangeable flow cells
- Entire kit is packaged in a Pelican case for safe transport
- Each flow cell has a specific flow range
- Each flow cell is easily changed (no tools needed) within seconds
- Flow cells can be purchased separately; Get started with one, add more later
- Cover a broad set of instrument flow ranges at your facility
- No mercury or other hazardous materials
- Low maintenance
Specifications
|
|
*Note: At gas pressure of 760 mmHg, (1 atm ) and a gas temperature of 77°F (25°C) with standardization temperature set to 32°F (0°C)
Documents & Downloads
Datasheets(1) | |||
| File Title | Version | Release Date | |
|---|---|---|---|
CalTrak 500 and 800 Technical Datasheet | E | 01/06/2023 | |
Manuals(1) | |||
| File Title | Version | Release Date | |
CalTrak 800 Instruction Manual | F | 05/20/2016 | |
Software(2) | |||
| File Title | Version | Release Date | |
| CalTrak Command Set: Bi-Directional Communications Protocol | 1.0 | 04/06/2015 | |
| CalTrak Series Product Software | v1.0 | 03/24/2014 | |
Certificates(3) | |||
| File Title | Version | Release Date | |
| CalTrak CE Declaration of Conformity | 1.0 | 01/01/2007 | |
RoHS 3, REACH, and WEEE Compliance | 2.0 | 09/20/2021 | |
| ARRA Certificate of Conformity | 11/3/17 | 11/03/2017 | |
Additional Documentation(5) | |||
| File Title | Version | Release Date | |
| Full Line Catalog - German Version | V1 | 08/07/2017 | |
| Terms and Conditions | 1.0 | 11/01/2010 | |
| Warranty Statement | 2.0 | 04/01/2015 | |
| Service Brochure | 2.0 | 04/06/2015 | |
Full Line Product Offering | V4 | 08/03/2023 | |
Go to Autotest Division >