Primary Standard High-Flow Gas Flow Calibration
CalTrak®XL
- Begin to calibrate up to 1500 slpm
- Replace bell provers or sonic nozzle arrays
- Bring ± 0.15% of reading accuracy to the factory floor
- Quick, easy-to-use, automatic data capture
- Results directly traceable to NIST
Overview
The CalTrak® XL is the leading high-flow primary standard calibrator on the market today. The XL is used for calibration and verification of mass flow meters, controllers, variable area flow meters, and precision in-situ calibration of industrial flow meters and controllers.
With increased demand for higher flows of process gas, there is a heavy demand to validate and calibrate high flow gas meters and controllers. The cost to use third-party calibration houses to calibrate and certify higher flow devices is three to four times the cost of an ordinary low flow device up to 50 slpm.
The CalTrak XL:
- Is an ideal choice for owners and users of many instruments (more than 25) that require calibration/verification one or more times a year
- Has a wide calibration, so a single XL system will accurately calibrate so-called low flow devices from 15 slpm, as well as much higher flow devices up to 1500 slpm
- Is manufactured to ISO 17025 standards at an NVLAP-accredited lab using assets that are directly traceable to NIST
In addition, the dimensionally-based primary accuracy of the XL surpasses pressure-based secondary methods and is backed by a rigorous uncertainty analysis.
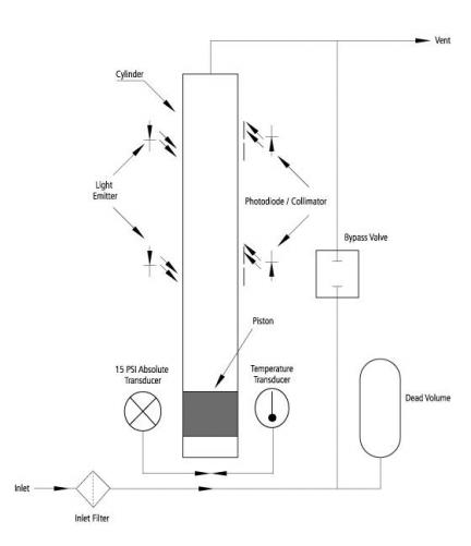
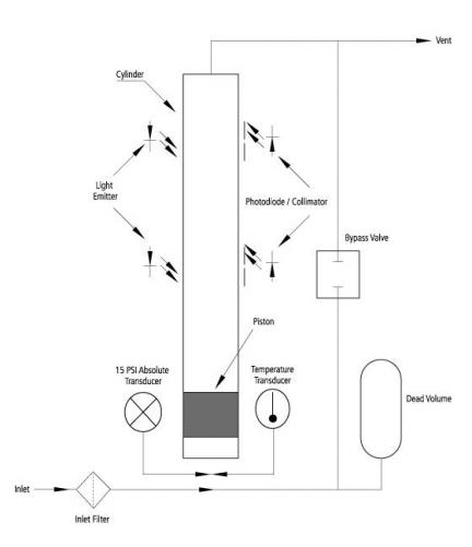
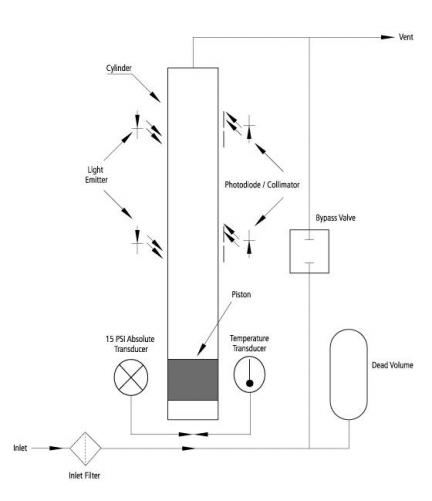
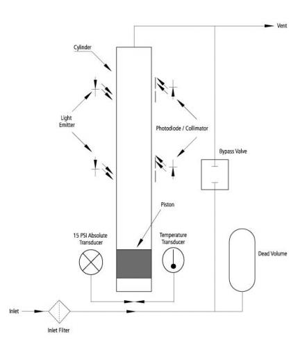
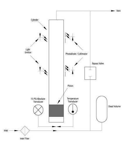
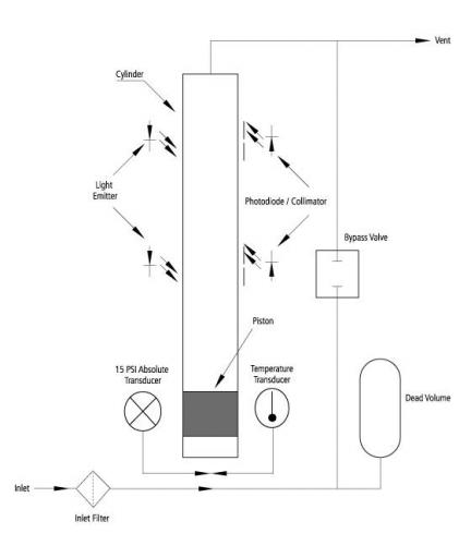
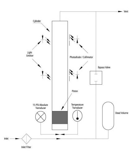
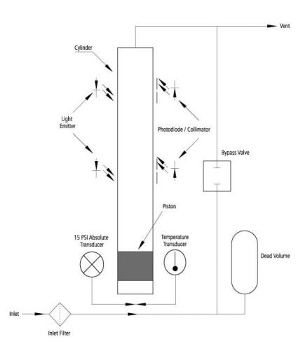
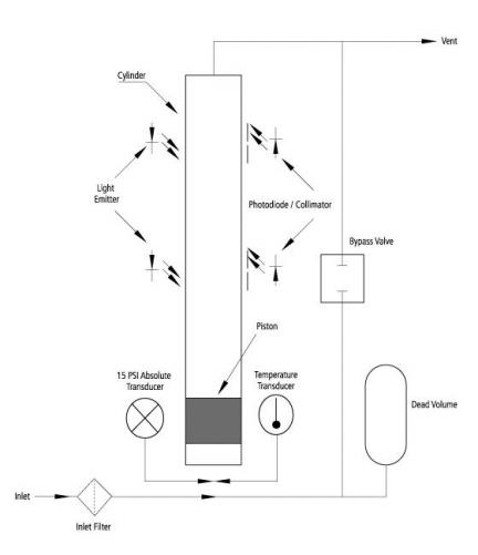
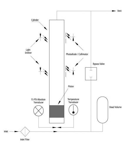
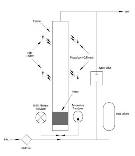
Operating principal:
All of our CalTrak models contain a nearly frictionless graphite piston that moves freely inside a borosilicate glass tube. When the parallel bypass valve is closed, the gas flow is directed into the tube to push the piston up. Two photo-optic sensors detect the piston as it travels past.
The distance the piston travels between the two sensors is precisely defined and represents a known volume. Accurate crystal-based timers drive a microprocessor which calculates the rate of rise. This defines the volumetric flow rate. At the same time, extremely accurate temperature and absolute pressure sensors collect data used to calculate the mass flow rate.
Product Benefits
- The performance of only the highest level metrology laboratories can now be yours
- Accurate high flow primary standard for labs & industry
- Less expensive than bell provers, sonic nozzle arrays and popular secondary standards
- Flexible all-in-one multiple cells eliminates switching cells
- Proven dimensionally-based primary standard accuracy backed by a rigorous uncertainty analysis
- Manufactured to ISO 17025 standards at an NVLAP-accredited lab
- Cover a broad set of instrument flow ranges at your facility
- Collected data is directly traceable to NIST
- Surpasses pressure-based secondary methods
- Everything you need to do your own flow calibration
- Suitable for most non-corrosive gases
- Accurate and reliable gas flow readings independent of gas species measured
- Reading options: Single, continuous or burst, with user-selectable averaging from 1 to 100
- Run automatically in continuous mode or operate manually (one flow reading at a time)
- Take up to up to 100 measurements in an average continuous mode sequence
- Easy-to-use, large LCD readout screen and 23-button keypad
- Generates calibration certificate easily
- Communicate via RS-232, USB, and use free CalSoft® software included
- CalSoft® software automatically acquires flow data for easy data export
- No mercury or other hazardous materials
- Low maintenance
Specifications
| 
 | 
 | 
Documents & Downloads
| Datasheets(1) | |||
| File Title | Version | Release Date | |
|---|---|---|---|
| CalTrak XL Technical Datasheet | F | 12/20/2022 | |
| Manuals(1) | |||
| File Title | Version | Release Date | |
| CalTrak XL Instruction Manual | I | 07/11/2017 | |
| Software(2) | |||
| File Title | Version | Release Date | |
| CalTrak Command Set: Bi-Directional Communications Protocol | 1.0 | 04/06/2015 | |
| CalTrak Series Product Software | v1.0 | 03/24/2014 | |
| Certificates(3) | |||
| File Title | Version | Release Date | |
| CalTrak CE Declaration of Conformity | 1.0 | 01/01/2007 | |
| RoHS 3, REACH, and WEEE Compliance | 2.0 | 09/20/2021 | |
| ARRA Certificate of Conformity | 11/3/17 | 11/03/2017 | |
| Additional Documentation(5) | |||
| File Title | Version | Release Date | |
| Full Line Catalog - German Version | V1 | 08/07/2017 | |
| Terms and Conditions | 1.0 | 11/01/2010 | |
| Warranty Statement | 2.0 | 04/01/2015 | |
| Service Brochure | 2.0 | 04/06/2015 | |
| Full Line Product Offering | V4 | 08/03/2023 | |
 Go to Autotest Division >
Go to Autotest Division >
 
							 
							 
							 
							 
							 
							